- Pinecil V2
- Характеристики Pinecil V2:
- Miniware TS101
- Характеристики Miniware TS101:
- Fnirsi HS-01
- Характеристики Fnirsi HS-01:
- Hakko FX-888D
- Распайка компонентов
- Создание паяльников различной мощности
- Изготовление паяльника
- Использование мини-паяльника
- Паяльник для обратной стороны платы
- Пайка компонентов
- Инструменты
- Лужение
- Промывка платы
- Распайка компонентов
- Распайка компонентов в QFN-корпусах
- Выпаивание микросхем и компонентов в «неудобных» корпусах
- Заключение
- Литература
- Электронный модуль
- Макетная плата
- “Простые” модули
- Аналоговые
- Смешанные
- KY-модули
- Интерфейсные модули
- UART
- SPI
Pinecil V2
Об этом паяльнике уже писали на Хабре. Его нельзя назвать устройством начального уровня. Это умный девайс, который способен на многое. Причём Pinecil V2, как можно понять уже по названию, является второй версией smart-паяльника.
Жала для него не уникальны — используются жала для паяльника TS-100, TS-101. Разновидностей достаточно много: можно приобрести как очень тонкие, так и крупные для грубой работы.
Характеристики Pinecil V2:
- Питание: USB-C
- Нагрев до 350 °C за менее чем 20 секунд
- Поддержка кастомизации операционной системы
- Опционально: подставка не включена
Вердикт однозначный: он подходит как для новичков, так и для профи, несмотря даже на то, что у последних, скорее всего, есть паяльная станция.
Miniware TS101
А это продолжатель линейки TS-100, только более функциональный. Он быстрее нагревается, его удобнее использовать. При этом жала, как и у Pinecil, стандарта TS-100.
Характеристики Miniware TS101:
- Улучшенная функциональность
- Удобная кнопка на корпусе
- Поддержка программной оболочки
Стоимость девайса составляет около $50, это его основной недостаток по сравнению с Pinecil V2.
Fnirsi HS-01
Честно говоря, я бы назвал его клоном Pinecil, если бы не отличающиеся характеристики. Даже упаковка крайне похожа. У него они неплохие — примерно те же, что и у предыдущих моделей.
Характеристики Fnirsi HS-01:
- Неплохие возможности
- Жала несовместимы с TS-100/TS-101
- Набор жал стоит около $15
Необходимо учитывать некоторые различия в характеристиках и сопоставить цену при выборе между этими моделями.
Также Fnirsi HS-01 запитывается лишь по USB-C, у него нет выделенного порта питания, как у двух других паяльников, описанных выше. Зато он быстро нагревается и отлично работает. Стоимость его составляет $30, а приобрести можно на AliExpress.
Кстати, позиционируется этот паяльник производителем как устройство, которое можно использовать в дороге. Это действительно так, но и предыдущие модели тоже можно использовать в дороге — они работают от внешних аккумуляторов по USB-C без проблем.
Hakko FX-888D
Устройства компании Hakko — предмет желаний многих начинающих электронщиков. И действительно, компания выпускает качественные системы для сервисных инженеров, ремонтников и других профессионалов, чья работа связана с электроникой.
Это уже не умный паяльник, а паяльная станция, которую просто так с собой не поносишь. Её стоит использовать стационарно — установить на стол и работать постоянно в одном месте. У девайса две кнопки, которые управляют температурными профилями — достаточно удобно.
Паяльная ручка, если можно так выразиться, хорошо сидит в руке, особо жаловаться не приходится. Из пальцев она не выпадает, покрытие специально сделано таким образом, чтобы не скользить. Станция работает одинаково хорошо как с тонкими платами, так и толстыми. Правда, в последнем случае рекомендуется увеличить температуру, чтобы припой быстро плавился.
Стоимость паяльной станции, к сожалению, превышает цену всех паяльников, описанных в подборке выше, причём вместе взятых. Купить станцию можно примерно за $160-170.
Ну а на этом всё. Если у вас есть собственные предпочтения в мире паяльников и паяльных станций, расскажите о них в комментариях. А если подборка понравится, то сделаем и вторую часть — уже по паяльным станциям, а не паяльникам.
Распайка компонентов
Готовую к распайке компонентов плату вначале следует облудить, а затем уже приступить к распайке всех компонентов. Но прежде чем описывать эти процессы, необходимо упомянуть о требующихся для этого инструментах и дополнительных компонентах.
Вначале о паяльниках, которые использовал автор. Для распайки самых миниатюрных пассивных компонентов (резисторы, конденсаторы, катушки индуктивности и т.п. в корпусах 0603), микросхем для поверхностного монтажа в корпусах SSOP, QFN с мелким шагом (до 0,4 мм), активных компонент в корпусах SC70, SOT23 и других автор использовал микропаяльник Ersa minor-S (6 В, 5 Вт).

Создание паяльников различной мощности
Для изготовления такого пробкового кольца в пробке сверлится отверстие (вдоль). Затем пробка насаживается на винт, зажимается двумя шайбами и гайкой, и винт с пробкой зажимается в патроне обычной ручной дрели. Далее дрель включается, устанавливается высокая скорость и с помощью грубой, а затем мелкой наждачной шкурки пробковому кольцу придается нужная форма.
Консоль значительно укорачивается, жало паяльника становится более жестко закреплено (что позволяет значительно легче его позиционировать), а наличие такой тепловой защиты (фторопласт и пробка) позволяет легко держать паяльник в руке, не боясь обжечься, так как пробка абсолютно не нагревается.
Для распайки более крупных микросхем для поверхностного монтажа и электронных компонентов (резисторы, конденсаторы, диоды) с типоразмерами 0805 и больше (и для других целей) необходим мини-паяльник чуть большей мощности. Для этих целей с успехом подходит автомобильный паяльник на напряжение 12 В мощностью 8 Вт.
Изготовление паяльника

Его жало должно быть также из меди, поэтому покрытие насадки вечного жала необходимо спилить напильником до самой меди, из которой оно изготовлено.
Для питания микропаяльника и мини-паяльника автор приобрел ИБП Robiton со ступенчатой регулировкой выходного напряжения от 3 до 12 вольт с током в 1,2 А. Этот ИБП автор тоже несколько усовершенствовал. Во-первых, два отдельных выходных диода Шоттки были заменены более мощными в одном корпусе ТО-220. Во-вторых, для получения дополнительного напряжения в 14 В (помимо 12 В) для мини-паяльника был установлен дополнительный резистор и переключатель, позволяющий переключать напряжение с 12 В на 14 В.
Использование мини-паяльника

Это сделано для того, чтобы температуру жала можно было регулировать в зависимости от размеров микросхем и других компонентов для поверхностного монтажа.
Для лужения обратной стороны платы, где в основном расположен земляной контур и цепи питания, а также для лужения больших полигонов на стороне платы с расположением компонентов для поверхностного монтажа необходим паяльник мощностью около 20 Вт.
Паяльник для обратной стороны платы

Для лужения стороны платы с расположением компонентов для поверхностного монтажа необходим паяльник мощностью около 40 Вт. Лужение проще всего осуществить медной луженой оплеткой (экраном), снятой с экранированного провода. Кусочек оплетки приматывают к жалу паяльника обычным медным одножильным проводом диаметром 0,5–0,6 мм, оставляя свободным конец оплетки длиной 5–7 мм, как у обычной кисточки.
Пайка компонентов
Необходимыми атрибутами для распайки компонентов являются:
- Флюс ЛТИ-120 во флаконе с кисточкой
- Припой (ПОС-61) с канифолью
- Зубочистки

Инструменты
В качестве инструментов необходимы:
- Антимагнитный пинцет с острыми губками и иголка
- Ручные тиски для удерживания мелких предметов

Лужение
Для лужения платы используйте следующий метод:
- Очистите плату от защитного лака
- Покройте плату флюсом
- Облуживайте плату паяльником
- Проведите процедуру по всей поверхности платы
Рекомендуется проводить процедуру непосредственно после снятия защитного лака, чтобы медное покрытие не окислилось.

Промывка платы
После лужения плата должна быть тщательно промыта в ацетоне. Плата к распайке компонентов готова.

Распайка компонентов
Для распайки компонентов:
- Наденьте растянутые кембрики на плату
- Прикрепите полоски пористой ленты на обратную сторону платы
- Закрепите плату на тяжелом предмете
- Произведите распайку компонентов

Вначале микропаяльником (рис. 36) с использованием пинцета с острыми губками (рис. 43), паяльных очков (рис. 10) и лупы ×10 распаиваются все SMD-компоненты: первыми идут микросхемы и активные компоненты, затем – пассивные (резисторы, конденсаторы и т.п.). После этого вся плата обильно покрывается флюсом и мини-паяльником (рис. 38) ещё раз пропаиваются все активные и пассивные компоненты, кроме микросхем в QFN-корпусах. Далее плата снимается со столика и тщательно промывается в ацетоне (рис. 45а). После всего мини-паяльником распаиваются компоненты навесного монтажа (рис. 45б). Здесь у читателя, возможно, возникнет вопрос: а зачем на плату надеваются кембрики (рис. 44)? Ответ на него – в следующем разделе статьи.
Распайка компонентов в QFN-корпусах
Наибольшие трудности и вопросы возникают в том, как же распаять микросхемы в QFN-корпусах с очень мелким шагом, например, 0,5 мм и даже 0,4 мм? На самом деле не всё так страшно. После того, как плата с надетым кембриком укреплена на столике, иголкой, зажатой в ручных тисках для удерживания мелких предметов (рис. 43), пользуясь паяльными очками, подцепляют и приподнимают кембрик, затем пинцетом с острыми губками (рис. 43) подсовывают под него микросхему в QFN-корпусе (рис. 46).

Далее, пользуясь лупой ×10 и пинцетом, тщательно позиционируют микросхему так, чтобы все контактные площадки микросхемы со всех 4 сторон совпали с контактными площадками на плате (рис. 47).

После этого с помощью зубочистки, обмакнутой во флюс, взяв её за самый конец, чтобы не сдвинуть микросхему, аккуратно проводят по местам пайки. Далее микросхему «наживляют» по углам, касаясь микропаяльником исключительно только дорожек и не прикасаясь к самой микросхеме, чтобы её не сдвинуть (рис. 48).


После того как микросхема «наживлена», кембрик раскусывают кусачками (рис. 49) и удаляют. Далее зубочисткой покрывают флюсом все контактные площадки микросхемы и примыкающие к ней дорожки со всех 4 сторон. После этого окончательно пропаивают все контактные площадки микросхемы (рис. 50, рис. 51). Эти процедуры проводят также с использованием лупы ×10.


Для микросхем с двусторонним расположением выводов (рис. 52) также нужно использовать кембрик для их позиционирования, поэтому на плате их должно быть несколько (рис. 44) – вот и ответ на вышеприведённый вопрос.

Примеры распайки микросхем в QFN-корпусах (рис. 53) красноречиво свидетельствуют о том, что вышеприведенная процедура распайки достаточно проста, а микросхемы идеально припаяны к плате. И ничего сверхсложного в этом нет.

Выпаивание микросхем и компонентов в «неудобных» корпусах
Часто требуется извлечь микросхему в корпусе для поверхностного монтажа (SMD) из уже изготовленной платы. Если выпаивание таких микросхем с двусторонним расположением выводов (SOIC, SSOP и т.п.) не представляет особой проблемы, то с микросхемами в квадратных корпусах с четырёхсторонним расположением выводов, например, QFP (Quad Flat Package) и особенно «безногих» QFN (Quad Flat No-leads package), у которых в качестве выводов используются контактные площадки, расположенные с каждой стороны микросхемы, на взгляд автора, могут возникнуть определённые трудности. Дело осложняется ещё тем, что в корпусах QFN со стороны контактных площадок имеется «земляная» пластина, расположенная в середине микросхемы и также припаянная к плате. В подавляющем большинстве случаев для выпаивания таких микросхем используется достаточно дорогой (от 2000 руб. и выше) паяльный фен, горячий воздух которого направляется на микросхему, и при разогреве её до температуры расплавления припоя она уже легко снимается с платы. Однако такой способ имеет два недостатка. Во-первых, конечно, относительно высокая стоимость фена, во-вторых (и это главное), нагрев микросхемы до той температуры, которая позволяет расплавить припой, может привести к выходу из строя микросхемы. Особенно это касается микроконтроллеров с «зашитой» программой, которую желательно сохранить. Можно, конечно, направить фен на обратную сторону платы для её разогрева, однако для получения приемлемой температуры расплавления припоя нагрев обратной стороны платы должен быть настолько интенсивным (для чего уже понадобится строительный фен), что стеклотекстолит (а это спрессованная стеклоткань, пропитанная эпоксидной – фенолформальдегидной смолой) начинает уже обугливаться и дымиться, выделяя настолько отвратительный запах фенола, что плату хочется побыстрее выбросить в окно.
Ниже приводится альтернативный способ нагревания обратной стороны платы инфракрасным излучением галогенной лампы. При этом обратная сторона платы не только не обугливается, но даже не особенно и нагревается, а припой со стороны микросхемы нагревается настолько интенсивно, что микросхема легко снимается с платы. Стоимость подобной галогенной лампы на порядок (а то и на два) меньше стоимости фена, а конструкция подобного «нагревателя» очень проста и поэтому достаточно дешева. Ниже будет рассмотрена конструкция устройства, показаны принцип его работы и её результаты.
Для устройства автор использовал галогенные лампы с цоколем из фарфора, который не плавится от высокой температуры, и соответствующие патроны для них. Такие лампы, как правило, используются в прожекторах для освещения, которые могут работать часами, не выходя из строя. Это галогенные лампы, работающие от сетевого напряжения ~220 В с цоколем R7s, оснащённые фарфоровыми изоляторами. Самыми короткими из них являются лампы длиной 78 мм (рис. 54).

Для таких ламп имеются патроны, изоляторы которых также выполнены из фарфора, например, патрон LH39 (230V R7s J78), рассчитанный на максимальную мощность до 1500 Вт! Такой патрон, кроме того, оснащён специальными теплостойкими проводами длиной около 20 см с двойной изоляцией (внутренняя жила обмотана фторопластовой лентой, а поверх неё расположен ещё один изолирующий слой из термостойкой стеклоткани).
Сто́ят такие лампы и патроны для них не более 50 руб./шт. Если лампы с цоколем R7s длиной 78 мм купить легко, так как они достаточно распространены, то цоколь для них LH39 почему-то не так распространён, однако автору всё же удалось его найти. В крайнем случае, его можно приобрести на торговой интернет-площадке, правда, по цене в несколько раз более высокой (около 200–250 руб.).

На базе таких ламп и патронов для них и было сконструировано устройство для выпаивания микросхем. Основой устройства (рис. 55) послужила дубовая струганая доска шириной 10 см и толщиной 1 см, от которой был отрезан кусок длиной 11 см. Патроны для двух ламп закреплены с помощью двух шестигранных латунных стоек длиной 10 мм, оборудованных с одной стороны шпильками с резьбой М4, с другой – внутренней резьбой М4. К доске стойки достаточно прочно прикручены через просверленные отверстия с обратной стороны винтами М4 с использованием широких кузовных шайб. Патроны (их два) крепятся к стойкам двумя гайками М4 и обычными шайбами. Провода пропущены через отверстия в доске (рис. 55а) на обратную сторону, где скоммутированы с сетевым проводом (обе лампы включены параллельно). Ввиду простоты схема не приводится. Коммутация осуществлена в распределительной коробке, прикрученной к доске двумя саморезами (она белого цвета на рис. 55б). Сетевой провод дополнительно приклеен к доске термоклеем. Для того чтобы устройство не скользило, по углам доски установлены мебельные пластмассовые подпятники, которые вместе с резиновыми ножками прикручены к доске саморезами и, чтобы не крутились, дополнительно укреплены термоклеем (рис. 55б). Чтобы невзначай не коснуться контактов патронов, находящихся под сетевым напряжением, и чтобы свет от ламп не слепил глаза, к доске с двух сторон двумя саморезами прикручены два уголка, согнутых под 90°, из алюминиевой полосы шириной 35 мм и толщиной 2 мм. К этим уголкам с помощью ещё двух алюминиевых уголков 10×10 мм толщиной 1,5 мм, в которых просверлены отверстия и нарезана резьба М3, винтами М3 прикручена алюминиевая пластина, которая дополнительно снизу прикручена к доске саморезами. Такая конструкция обладает достаточной жёсткостью и поэтому не подвергается какому-либо короблению от высокой температуры. Кстати, как показал опыт эксплуатации устройства, пластина и уголки даже особенно не нагреваются и к ним можно свободно прикасаться рукой (по ощущениям автора при работе ламп в течение 5 минут температура нагрева получившегося алюминиевого кожуха была не более 40°C). Далее автор оставил включенным устройство на полчаса. За это время ничего с устройством не произошло, а кожух нагрелся чуть больше, но не до такой температуры, чтобы к нему нельзя было прикоснуться рукой (примерно до 50°C).

На свободное место доски установлено хорошо известное устройство «третья рука» (долгое время лежавшая без дела) с двумя зажимами типа «крокодил», которые достаточно прочно держат плату с выпаиваемой микросхемой на расстоянии около 20 мм от ламп (рис. 56). Для того чтобы свет от ламп не слепил глаза, с двух сторон платы были установлены две шторки из тонкого (1 мм) одностороннего стеклотекстолита, которые были прижаты к уголкам кожуха двумя канцелярскими зажимами медным слоем вниз. Расстояние между шторками легко регулируется и устанавливается в соответствии с размером платы. После 3–4 минут прогрева микросхема легко снимается обычным тонким пинцетом. При этом плата не выделяет никаких дополнительных запахов, поскольку сильно не нагревается, хотя благодаря инфракрасному излучению ламп, проникающему сквозь плату и нагревающему дорожки, припой плавится достаточно интенсивно.
Автор проверял работу устройства с лампами мощностью 60, 100 и 150 Вт. Как показал эксперимент, при использовании ламп мощностью 60 Вт даже при 10-минутной выдержке платы на расстоянии 20 мм от ламп припой не плавится, и такие лампы применять нецелесообразно. При применении ламп мощностью 150 Вт, во-первых, уже после 2 минут прогрева плата настолько интенсивно нагревается, что начинает дымиться, выделяя неприятный запах, во-вторых, эти лампы очень яркие и слепят глаза. При применении ламп мощностью 100 Вт устройство работает идеально, и, как указано выше, для выпаивания компонентов достаточно 3–4 минут прогрева. При этом никаких неприятных запахов плата не выделяет.
Здесь следует заметить, что есть некоторые нюансы использования описанного устройства. Во-первых, даже при применении 100-ваттных ламп бывают случаи, когда их мощность следует несколько снизить. Если с платы требуется удалить относительно большое количество компонентов (например, с десяток конденсаторов, нескольких резисторов, диодов или более простых микросхем), то после разогрева припоя на это требуется некоторое время (несколько минут). За это время интенсивный нагрев может привести к тому, что плата начнёт дымиться и выделять неприятный запах. Чтобы этого не произошло, интенсивность нагрева желательно уменьшить.
Во-вторых, для того чтобы использовать лампы мощностью 150 Вт, их интенсивность нагрева (как указано выше) также следует ограничить.
В-третьих, при включении ламп, когда их спирали ещё холодные, в связи с чем они имеют низкое сопротивление, начальный ток может достигать достаточно больших значений, что чревато выходом ламп из строя, т.е. они могут попросту перегореть (что довольно часто случается при использовании ламп накаливания). В связи с этим при включении ламп их мощность следует ограничить.
Снять все эти три проблемы позволяет достаточно простой симисторный регулятор мощности, описанный ниже.

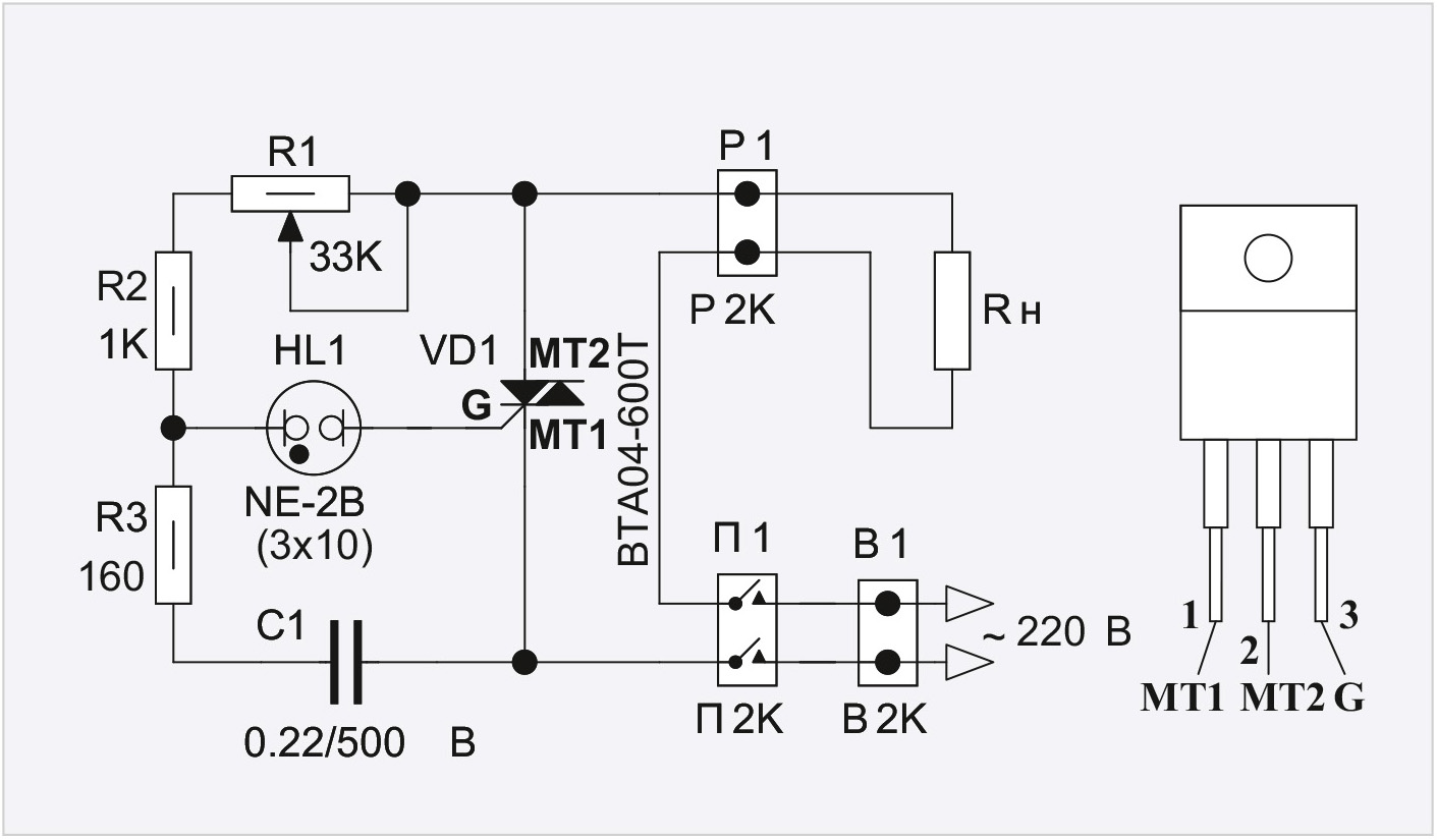
Как видно из схемы рис. 57, в ней используется симистор BTA04-600T (VD1) в корпусе ТО-220 с максимальным напряжением 600 В, максимальным током 4 А и максимальным током включения IGT в 5 мА (как и у MAC97A8), позволяющим управлять им с помощью неоновой лампы. Однако относительно большой ток симистора при работе при максимальной нагрузке, когда галогенные лампы работают на полную мощность, приводит к его разогреву. Поэтому для симистора необходимо предусмотреть небольшой радиатор. В качестве такового автор использовал алюминиевое днище корпуса, к которому прикручен симистор.
Здесь следует сделать некоторое отступление относительно корпусов симисторов. Симисторы с максимальным током в 4 А (и более) выпускаются в корпусах двух типов. Первый тип – это стандартный корпус TO-220 с металлическим основанием, в котором имеется отверстие для его закрепления на радиаторе. В свою очередь, металлическое основание корпуса либо имеет контакт с центральным электродом симистора (MT2), либо изолировано от него. Второй тип – полностью изолированный пластмассовый корпус SOT186A (TO-220F), который также оснащён отверстием для его закрепления на радиаторе. Для того чтобы исключить прикасание рукой к сетевому напряжению, если невзначай коснуться рукой днища корпуса, оно должно быть изолировано от этого высокого напряжения. Если симистор в корпусе TO-220 имеет контакт металлического основания с центральным электродом, то для изоляции днища корпуса от высокого напряжения потребуется применить изоляционную прокладку, желательно керамическую, и специальную изоляционную втулку. Стоимость керамической прокладки довольно высока и достигает стоимости самого симистора, поэтому изоляцию такого типа применять нежелательно. Теплопередача металлического основания корпуса ТО-220 несколько выше теплопередачи пластмассового корпуса SOT186A. Наиболее целесообразно применять симисторы в корпусе TO-220 с изолированным металлическим основанием.
Кроме того, для того чтобы симистор управлялся малым током неоновой лампы NE-2B (HL1), его ток управления не должен превышать 5 мА. Такие симисторы ещё называют симисторами с управлением логическим уровнем (Logic Level Triac).
Резюмируя вышесказанное, наиболее целесообразно использовать симисторы в корпусе ТО-220 с изолированным металлическим основанием и с управлением логическим уровнем. Одним из представителей таких симисторов и является BTA04-600T (VD1), применённый в схеме рис. 57. Хороший результат показал также симистор BTA208X-1000C в полностью изолированном пластмассовом корпусе SOT186A.

Теперь о конструкции регулятора. Он собран в пластиковом корпусе G1031BA размером 64×44×30 мм с алюминиевым днищем (рис. 58). Розетка Р1 (РД1-1, рассчитанная на ток 6 А) из карболита, в которую вставляется вилка от устройства с галогенными лампами (условно обозначенная на схеме рис. 57 как Rн), расположена на узкой боковой поверхности корпуса, к которой она прикручена винтом М3 впотай и гайкой. Переменный резистор R1 (СП4 1 – 0,5 Вт), на шток которого надета ручка, и выключатель П1 (П1Т-1-1В, рассчитанный на ток 5 А) прикручены к верхней поверхности корпуса соответствующими гайками. Лампа (NE-2B размером 4×9 мм) вставлена в металлический держатель для светодиодов (RLL-3010), который также прикручен соответствующей гайкой к верхней поверхности корпуса. Внутренний диаметр трубки с резьбой этого держателя составляет 4,2 мм, так что лампа легко в него вставляется, а конусовидная полиэтиленовая пробка (поставляемая вместе с держателем) фиксирует лампу. Керамический конденсатор для поверхностного монтажа размером 2220 (5,6×5×1,8 мм) укреплён на одном из выступов розетки термоклеем. К одному из его контактов припаян резистор R3 (рис. 57), а к переменному резистору припаян резистор R2. Оба этих резистора спаяны между собой, и на них надет кембрик (трубка ПВХ), разрезанный вдоль и укрепленный с двух сторон термоклеем. Сетевой провод с вилкой В1 на конце пропущен через резиновую втулку, расположенную на второй узкой боковой поверхности корпуса и дополнительно зафиксированную термоклеем. Симистор VD1 прикручен к внутренней поверхности днища корпуса винтом М3 и гайкой с использованием теплопроводной пасты КПТ-8. Таким образом, поскольку все компоненты закреплены на корпусе, для схемы не требуется печатной платы, и все соединения выполнены монтажным проводом сечением не менее 0,5–0,8 мм2, кроме проводов для неоновой лампы, которые имеют сечение 0,05–0,1 мм2. Для того чтобы корпус не скользил, на днище прикручены 4 резиновые ножки.
Автор проверял работу регулятора с лампами мощностью 150 Вт. Для приемлемого нагрева платы ручку резистора регулятора мощности следует установить приблизительно на 2/3 от максимального угла поворота, т.е. примерно на 200° (максимальный угол поворота резистора СП4 1 составляет 300°).
При работе с лампами 100 Вт угол поворота должен быть максимальным. При этом выходное напряжение регулятора приблизительно на 10 В ниже входного, т.е. если входное напряжение составляет 220 В, то максимальное выходное напряжение будет 210 В. Минимальное напряжение при полностью выведенной влево ручке переменного резистора составило около 35 В. Измерение напряжений производилось стрелочным тестером (ТЛ-4) на диапазоне «~300 В» (т.е. измерялось действующее значение напряжения переменного тока).
Здесь следует добавить, что подобный регулятор с симистором, рассчитанным на ток в 4 А, может использоваться и с другими устройствами, предназначенными для нагрева (паяльниками, электроплитками и т.п.), мощностью до 800 Вт, а с симистором с максимальным током 8 А мощность нагревателей может быть увеличена до 1,5 кВт.

Примеры работы устройства (рис. 59) достаточно красноречиво свидетельствуют о том, что с его помощью можно не только легко выпаять микросхему в корпусе QFN-24 – рис. 59а (хотя, конечно, и об этом), но также возможно выпаять микросхему в корпусе LGA-8 (рис. 59б), у которого контакты расположены на его дне и на достаточно приличном расстоянии от его краёв, и разогреть эти контакты обычным паяльником не представляется возможным, не повредив саму микросхему. Кроме того, для того чтобы выпаять 24-контактный разъём (для подключения шлейфа), у которого к плате припаяны не только сами контакты, но и крепёжные площадки, расположенные по бокам (рис. 59в), требуется одновременно разогреть паяльником каждый контакт разъёма и крепёжные площадки, что даже двумя паяльниками сделать невозможно.
С помощью описанного устройства после разогрева платы все компоненты (рис. 59) легко снимаются пинцетом.
Как можно заметить из рис. 59, все выпаянные компоненты имеют заусенцы в виде остатков припоя, а некоторые контакты разъёма даже спаяны вместе (рис. 59в), поэтому к повторному использованию непригодны. Чтобы снять эту проблему, требуется удалить все остатки припоя с компонентов.
Для этого компонент следует приклеить к небольшому расположенному на столике кусочку пористой ленты с двусторонним липким слоем (рис. 44в, рис. 46а). Далее покрыть компонент (микросхему или контакты разъёма) жидким флюсом с помощью кисточки (рис. 42).
Затем к насадке для мини-паяльника (рис. 38) следует примотать тонким одножильным проводом (диаметром 0,2–0,3 мм) порядка 30–40 тонких (0,05–0,1 мм в диаметре) медных посеребрённых нитей, которые можно извлечь, например, из провода МС16-13 сечением 0,03–0,05 мм2. Эти нити следует предварительно скрутить, а после примотки к насадке расправить так, чтобы получилась своего рода насадка-кисточка (рис. 60). Далее, надев такую насадку на мини-паяльник, под лупой ×10 следует аккуратно снять все заусенцы с соответствующего компонента.

После тщательной промывки компонента в ацетоне он готов к дальнейшему использованию. Автор проверял работу программы микроконтроллера, выпаянного подобным образом. Как показала проверка, программа осталась работоспособной.
Заключение
В заключение хотелось бы отметить следующее. Хотя статья в некотором смысле и носит производственный характер, она в первую очередь предназначена именно для разработчиков электронных устройств, а отнюдь не для производителей печатных плат. Автору хорошо известно на личном опыте, какие колоссальные усилия, время и средства тратит разработчик устройств на то, чтобы получить печатную плату, заказанную в сторонней организации. Сколько тратится времени, чтобы по несколько раз проверять разводку и исправлять ошибки, сделанные разводчиком. Кроме того, ошибки, сделанные разработчиком, автоматически переносятся на разводку разводчиком и, в конечном этапе, на саму плату. В лучшем случае на готовой плате эти ошибки могут быть исправлены разрезанием дорожек и распайкой новых перемычек, а в худшем – придётся заказывать новую плату и, естественно, за это платить (не только деньгами, но и дополнительными усилиями, временем).
Если же разработчик производит печатную плату своими силами, пусть даже не так идеально по разводке и по сверлению отверстий, как профессионал, то максимум, чем может поплатиться разработчик за свою ошибку, – шлепком самого себя по лбу. Зато никаких денег это не стоит. Вот для этого и написана эта статья.
Литература

Электронный модуль
Модуль – это специальная удобная плата на базе какой-то микросхемы или электронного компонента. Модуль может быть датчиком, драйвером, интерфейсом, памятью, дисплеем и так далее. Зачем использовать модуль, почему не взять конкретный компонент? Если вы хотите делать электронное устройство на печатной плате – конечно же лучше собирать его из голых компонентов, а не из модулей, потому что в большинстве случаев это выйдет дешевле, а также изготовление такой платы можно заказать вместе со сборкой на производстве (например на JLCPCB). Но мы с вами собираемся сначала научиться программировать, поэтому модули имеют неоспоримые преимущества:
Макетная плата
Макетная плата, она же макетка или брэдборд (breadboard) – самый удобный способ создания электронных макетов. Отверстия расположены со стандартным шагом 2.54мм, внутри каждого – пружинная клемма. Это позволяет вставлять в плату любые Arduino-модули, а также микросхемы в DIP корпусах.
Для соединения отверстий в пределах макетки используются провода штырёк-штырёк, рекомендую вариант с цилиндрическими штекерами (я пользуюсь одним комплектом на протяжении уже 5-ти лет). Также существуют провода с квадратными штекерами, они есть в вариантах гнездо-гнездо, гнездо-штырёк и штырёк-штырёк. Эти провода менее качественные, но вариант гнездо-штырёк позволяет подключить модуль к макетке, не втыкая модуль в макетку:

Что происходит на этом фото и как работает брэдборд? Очень просто! Контакты в нём соединены следующим образом:

“Простые” модули
Простые цифровые модули имеют два пина питания и пин с логическим выходом, он может быть подписан как OUT, S, D или DO. Плата таких модулей имеет синий цвет и содержит типовую схему – крутилка (синий корпус) и операционный усилитель (чёрная микросхема рядом с крутилкой). Такой модуль выдаёт только два состояния: датчик “сработал” и “не сработал”, на цифровом выходе появляется соответственно VCC (напряжение питания) или 0 Вольт, т.е. высокий и низкий цифровой сигнал. Крутилка на плате позволяет настроить порог срабатывания. Такие датчики подключаются к питанию и любому цифровому пину (GPIO). Опрашиваются стандартными средствами Arduino.
Примеры на картинке ниже: датчик звука, температуры, освещённости, приближения, магнитного поля.

Аналоговые
У аналоговых модулей помимо питания есть аналоговый выход, может быть маркирован как OUT, S, A или AO. Такие модули выдают аналоговый сигнал, пропорциональный показанию датчика. Подключаются к питанию и любому аналоговому пину (ADC) и опрашиваются стандартными средствами Arduino.
Примеры на картинке ниже: датчик звука, уровня жидкости, индуктивный датчик влажности почвы, обычный датчик влажности почвы, потенциометр (просто крутилка).

Смешанные
Некоторые модули имеют цифровой и аналоговый выходы одновременно, пины у них обычно подписаны как DO – цифровой выход и AO – аналоговый. Крутилка на плате настраивает порог срабатывания у цифрового выхода, а аналоговый просто выдаёт “сырой” сигнал с датчика. Опрашиваются как цифровые и аналоговые датчики соответственно.
Общая схема для всех перечисленных выше типов модулей:

Примеры на картинке ниже: датчик вибрации, звука, магнитного поля, влажности почвы и освещённости.

KY-модули
Существует также целое семейство модулей с названием KY-цифра, это самые дешёвые модули на чёрных платах. Среди них есть и цифровые, и аналоговые, и интерфейсные датчики, а также индикация (светодиоды, пищалки) и реле. Проблема в том, что пины почти у всех плат подписаны одинаково:

Сигналом здесь может быть как исходящий из датчика цифровой или аналоговый сигнал, так и цифровой сигнал управления, который нужно подать на модуль с микроконтроллера. Обязательно читайте описание к модулю такого типа, если не знаете, что делает компонент на его плате!

Интерфейсные модули
Некоторые модули имеют один или несколько логических выходов и передают данные по цифровому интерфейсу связи. Сигнальные пины таких датчиков могут быть подписаны как SCK, SDA, SCL, MISO, MOSI, SS и прочими аббревиатурами, отличными от OUT, как в “простых” модулях. Подключаются такие модули к пинам интерфейсов (подробнее в этом уроке) на плате и опрашиваются при помощи сторонних библиотек. Для работы с такими модулями нужно найти в интернете статью с описанием и примерами. Подробное описание к некоторым популярным модулям можно найти в базе примеров к набору GyverKIT, а также у меня в каталоге ссылок на Ардуино-компоненты. Примеры таких модулей:

Давайте вкратце рассмотрим самые распространённые интерфейсы и особенности подключения модулей с ними. Напомню распиновку плат Arduino Nano и Wemos Mini:


UART

SPI





